网站首页
关于我们
公司简介
主要产品
荣誉资质
公司环境
产品中心
局部通风机应急电源
5T机车电源系列
充电机系列产品
矿灯系列产品
人员定位系列产品
防爆无轨胶轮车系列产品
车辆信号装置系列产品
合作案例
案例展示
合作客户
客户服务
营销网络
诚招代理商
新闻资讯
公司新闻
行业动态
常见问题
联系我们
在线留言
在线招聘
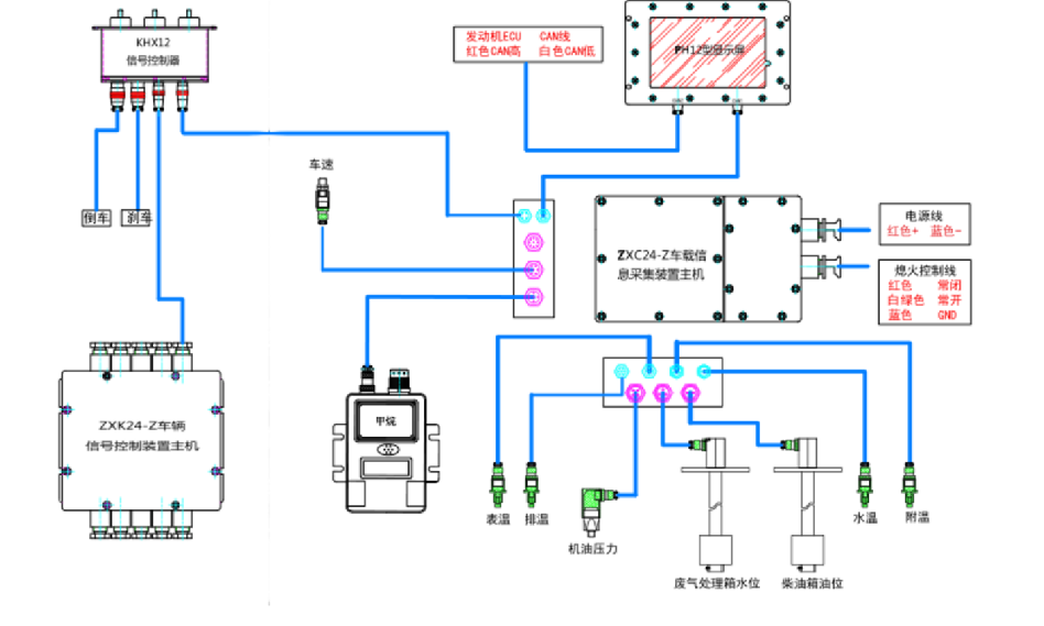
车辆信息采集、信号控制装置
ZXK24矿用车辆信号控制装置——信号控制器
ZXK24矿用车辆信号控制装置——主机
ZXC24矿用车载信息采集装置(国三发动机保护)
咨询电话
返回顶部