车辆信息采集、信号控制装置

ZXC24矿用车载信息采集装置,ZXK24矿用车辆信号控制装置
应用于煤矿防爆柴油机车辆运行状态监控以及灯光信号等功能控制,保证车辆行驶安全。
完成帕金斯、东方红、玉动、康明斯等品牌机型的ECU采集;其他品牌发动机,客户提
供通讯协议及发动机故障代码即可完成ECU采集。电源管理系统信息采集监控以及信息
无线上传功能,需要开放通讯协议后进行调试。


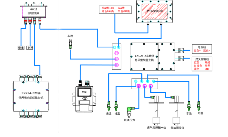
ZXC24矿用车载信息采集装置(国三发动机保护)

ZXC24型矿用车载信息采集装置,由ZXC24-Z矿用隔爆兼本安型车载信息采集装置主机、
PH12矿用本安型显示屏、GJC4(B)型矿用低浓度甲烷传感器以及以及速度、液位、温度和
机油压力等传感器构成。装置采用7吋液晶显示屏,清晰直观显示出各种监控数据。
该装置具备国家规定的六项保护功能外,还增加了车速、转速、油位以及附件温度等监测
功能,运行总时间和总里程显示。同时装置可显示发动机故障内容和部分工作参数实时数值、
可对电源管理系统数据监测等功能,并具备监控数据报警和发动机故障储存功能。另外,具
备无线发射功能,若客户或矿方条件允许,接入客户或矿方无线网络,利用无线网络对车辆进
行监控。





ZXK24矿用车辆信号控制装置

